1/3
未经处理的混凝土 在表层以下50mm处切取的混凝土试样。可以看到在切面照片上呈现的氢氧化立方体和菱形六面体的凝胶体及微粒。 未经处理的混凝土
在表层以下50mm处切取的混凝土试样。可以看到在切面照片上呈现的氢氧化立方体和菱形六面体的凝胶体及微粒。
 XYPEX结晶过程的初始状态
在XYPEX浓缩剂处理过的混凝土试件上,离表层以下50mm处切取的显示结晶反应的初始状态,可以看到结晶正在形成。  
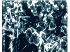
XYPEX境界过程的成熟情况
这张照片所示为XYPEX浓缩剂处理后第26天的混凝土,在深度为50mm处切取的试样,可以看到混凝土毛细管中已生成了致密的、发展充分的结晶体结构,这种结晶大大增强了混凝土的密实度,并完全切断了水的流通通道。

XYPEX结晶示意图

2012-02-0316723图片

下面为加拿大一个独立的研究小组拍摄的电子显微镜照片,它充分显示了XYPEX在混凝土毛细管和微小通道中的结晶过程和效果。

反对 0
举报 0
收藏 0
打赏 0
评论 0
网站也是有底线的